Views: 0 Author: Site Editor Publish Time: 2021-09-21 Origin: Site
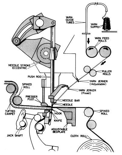
Tufted carpets are formed by stitching loops of pile yarn from a needle bar carrying 1000-2000 needles into a pre-woven (or spunbonded) primary backing fabric. The needles oscillate up and down in unison, much like the action of a sewing machine needle and each is threaded with its own supply of yarn (Figure 13.6).
For the loop tufting cycle, the sequence of steps is as follows:
1. Feed cashmere yarn from creel or warp shaft
2. The yarn feeding roller driven in the forward direction conveys the correct length of yarn to the needle to form a coil
3. The needle bar with needle makes vertical reciprocating motion through the eccentric shaft
4. When the needle passes through the base cloth, the curved needle passes between the yarn and the needle, and forms a coil with the rise of the needle
5. Once the needle bar is lifted, the bottom cloth moves forward by the barbed feed roller.
The curved needle approaches the fabric from the back so that the coil slides off after formation (see Figure 13.7).
If cut pile carpet is being made, the loops are captured by the looper hook and a knife cuts each loop in turn, as shown in Figure 13.8. Note the different looper shapes and directions in Figures 13.7 and 13.8.
Typical machine gauges are 5/32”, 1/8” and 1/10”, and stitch rates can be as high as 6 stitches per cm on fine gauge tufting machines. Pile heights vary typically between 3.5mm and 10mm for carpets destined for commercial locations.

Figure 13.6 Tufting machine mechanism. Source: Cobble Blackburn Ltd.

Figure 13.7 Formation of a loop pile carpet. Source: Wools of New Zealand.

Figure 13.8 Formation of a cut pile carpet. Source: Wools of New Zealand.
https://www.wxmatale.com/
How Does A Multi-functional Coating Machine Improve Carpet Durability And Backing Performance
How Does A Coating Machine Work in A Carpet Tile Coating Line
How To Choose A Coating Machine for Carpet Tile Backing Production
What Coating Materials Can A Multi-functional Coating Machine Apply for Carpet And Turf Backing